Tag: radio

AudioCartiRadio

SUPERHETERODINĂ CU UN TRANZISTOR

Articol publicat in cartea 25 SCHEME CU TRANZISTOARE Superheterodina a fost concepută şi realizată de către inginerul francez Lucien Levy. Faţă de radioreceptoare cu amplificare directă, superheterodina s-a impus încă…
AudioCartiRadio

RADIORECEPTOR REFLEX

Articol publicat in cartea 25 SCHEME CU TRANZISTOARE În ultima vreme, atît în rîndul radioamatorilor, cît şi în producţia industrială de radioreceptoare a căpătat o mare răspîndire tipul de receptor…
AudioCartiRadio

RADIORECEPTOR CU REACŢIE

Articol publicat in cartea 25 SCHEME CU TRANZISTOARE În radiotehnică prin reacţie se înţelege întoarcerea semnalului de la ieşirea unui amplificator către intrarea lui. Dacă semnalul întors este în fază…
RevisteTehnium

CORECTOR DE TON HI-FI

Articol publicat in revista Tehnium 1 din 2000 Existența LED-urilor cu diametru mare și luminozitate foarte ridicată permite realizarea unui stroboscop simplu. Montajul propus în schema alăturată face posibilă observarea…
RevisteTehnium

CORECTOR DE TON HI-FI

Articol publicat in revista Tehnium 1 din 2000 Pentru reglajul fin, după preferințe, al hodografului sonor, propriu unui program muzical audio, tradus prin corecția preferențială a caracteristicii amplitudine-frecvență de ieșire,…
AudioCartiRadio

RADIORECEPTOR CU UN TRANZISTOR

Articol publicat in cartea 25 SCHEME CU TRANZISTOARE Dacă receptorului din schema precedentă i se mai adaugă încă un tranzistor în etajul amplificator de audiofrecvenţă, se obţine un aparat mai…
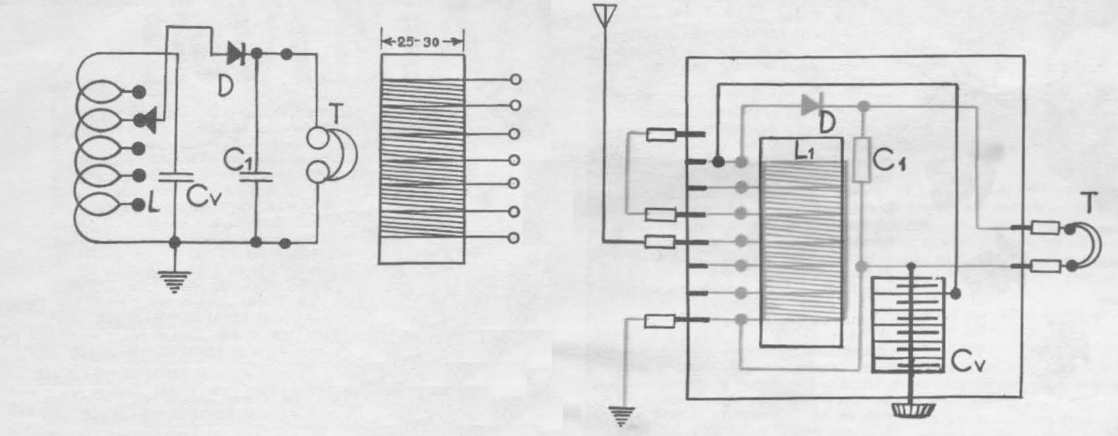
AudioCartiRadio

RADIORECEPTOR CU UN TRANZISTOR

Articol publicat in cartea 25 SCHEME CU TRANZISTOARE Cu schema de faţă începem descrierea cîtorva montaje de radioreceptoare, mai mult sau mai puţin complicate, dar care vor permite radioconstructorilor amatori…
RevisteTehnium

Convertor pentru receptie

Articol publicat in revista Tehnium 11/76 După multe experimentări s-a ajuns la o variantă simplă și deosebit de bună. Convertorul folosește un cristal de cuarţ, pe frecvența de 17.000 kHz,…
  • 1
  • 2
back to top