
Articol publicat in revista Tehnium 12/70
Deschiderea automată a unor «uși secrete» — imagine prezentă frecvent în filmele de aventuri și anticipație de acum două sau trei decenii — nu mai uimește pe nimeni. «Miracolul» s-a dovedit nu numai foarte simplu de imitat tehnic — chiar și de către începători întru electronică —, dar și de o certă eficiență (dacă nu în interiorul apartamentului nostru, în orice caz, în situația porților unui garaj; ceea ce încă n-ar fi puțin…).
Cele mai uzuale metode folosesc, după cum se știe, un motor electric al cărui întrerupător este acționat manual de un buton sau o placă așezată pe sol în fața ușii. Sub placă se află întrerupătorul. Cînd placa este atinsă de piciorul unui om sau de roțile unei mașini (în cazul folosirii sistemului la un garaj), se realizează contactul ce conectează motorul care deschide ușa.
Acest sistem are dezavantajul unei construcții greoaie și nesigure, care se uzează destul de repede.
O metodă mai modernă și mai sigură o constituie folosirea unui întrerupător acționat cu ajutorul unei fotocelule.
Montajul descris mai jos poate fi folosit atît pentru deschiderea ușilor în locuințe cît și a porților unor garaje.
Schema de montaj a unei astfel de instalații este dată în figura 1: becul S luminează fotocelula. Pentru a se putea folosi un bec mai mic va trebui ca fasciculul luminos să fie concentrat cu ajutorul unei lentile convergente.
Cînd fotoelementul este luminat, contactele releului acționat de fotocelulă sînt întrerupte.
Dacă în calea luminii intervine un obstacol, fotoelementul nu mai este luminat, iar releul stabilește închiderea contactului de pornire a motorului.
Ușa începe să se deschidă. La deschiderea maximă a ușii, aceasta acționează un întrerupător tip buton de sonerie, care atunci cînd este apăsat deconectează motorul de la rețea.
Cînd circuitul de lumină este restabilit, releul deschide contactul, iar resortul montat pe ușă închide ușa.
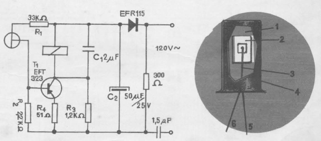
Acționarea releului este datorată unui montaj amplificator cu un tranzistor.
Tranzistorul este comandat de fotocelulă. Montajul de acționare a releului este realizat după schema de principiu din figura 2 și funcționează astfel: tranzistorul T1 este conectat într-un montaj de amplificator cu conexiunea emitor comun.
Punctul de funcționare este astfel ales încît tranzistorul este blocat cînd fotoelementul nu este luminat. În colectorul tranzistorului T1 se află montată ca sarcină înfășurarea releului.
Cînd tranzistorul este blocat, prin releu va trece doar curentul dat de înfășurarea releului și rezistența R3. Acest curent este insuficient pentru anclanșarea releului.
Cînd fotoelementul este luminat, rezistența sa scade, curentul ce trece prin el crește, iar baza tranzistorului se negativează mai puternic. Acest fapt duce la deschiderea tranzistorului care începe să conducă.
În această situație, prin tranzistor trece un curent care trece și prin înfășurarea releului. Acest curent se adună la curentul ce trece permanent prin releu și se obține astfel curentul necesar anclanșării releului.
În momentul cînd sursa de lumină este obturată și fluxul luminos nu mai cade pe fotoelement, se produce o modificare în sens invers în funcționarea tranzistorului; potențialul bazei scade, devenind mai puțin negativ. Aceasta duce la blocarea tranzistorului, curentul ce trece prin releu scăzînd astfel la curentul inițial. Se produce în acest fel declanșarea releului.
Condensatorul C1 se montează pentru a obține o constantă de timp la declanșarea releului și pentru a prelua o parte din supratensiunea ce apare la bornele înfășurării releului cînd tranzistorul se blochează.

Materialele folosite nu prezintă dificultăți deosebite la procurare sau confecționare.
Motorul pentru a acționa o ușă obișnuită poate fi din cele folosite pentru picupuri.
Fotocelula este o fotorezistență sau o fotodiodă.
O altă soluție este de a folosi joncțiunea bază-colector sau bază-emitor de la un tranzistor. În acest caz se va practica în capsula tranzistorului o fereastră (fig. 3). Se golește capsula de lichidul vîscos de culoare albă (este un lichid format din ulei siliconic și oxid de aluminiu folosit pentru răcire). Acest lichid se dizolvă în alcool. Dizolvarea decurge destul de încet (aproximativ două zile).
După golire devine vizibilă plăcuța din germaniu care constituie tranzistorul. Această plăcuță are o rezistență mare dacă este polarizată în sens invers (cu minusul pe colector). Dacă luminăm plăcuța vizibilă din interiorul tranzistorului, rezistența joncțiunii va scădea foarte mult, deci dacă se montează în locul unui fotoelement joncțiunea unui tranzistor se va obține același efect.
Releul trebuie să aibă o sensibilitate de 10—12 mA (curent de anclanșare) și un grup de contacte format dintr-o lamelă centrală ce poate comuta ori pe poziția «atras», ori pe poziția «respins», deoarece în montajul folosit închiderea circuitului de pornire a motorului se face cînd releul este declanșat.
O realizare îngrijită a acestui tip de deschizător automat va da satisfacții depline.






