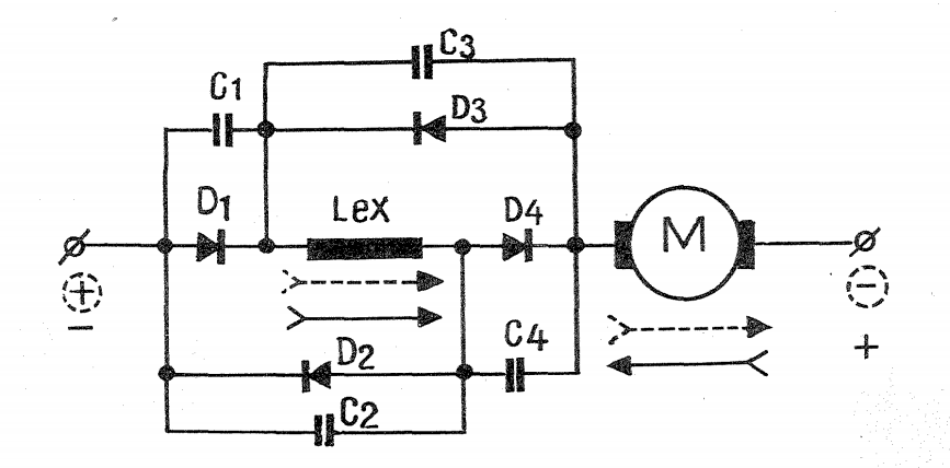
Schimbare sensului de polaritate cu polaritatea
Articol publicat in revista Tehnium 11/76 La electromotoarele de curent continuu care au statorul şi rotorul bobinate, cu excitația legată în serie, sensul rotației nu se schimbă la schimbarea polarității.…

