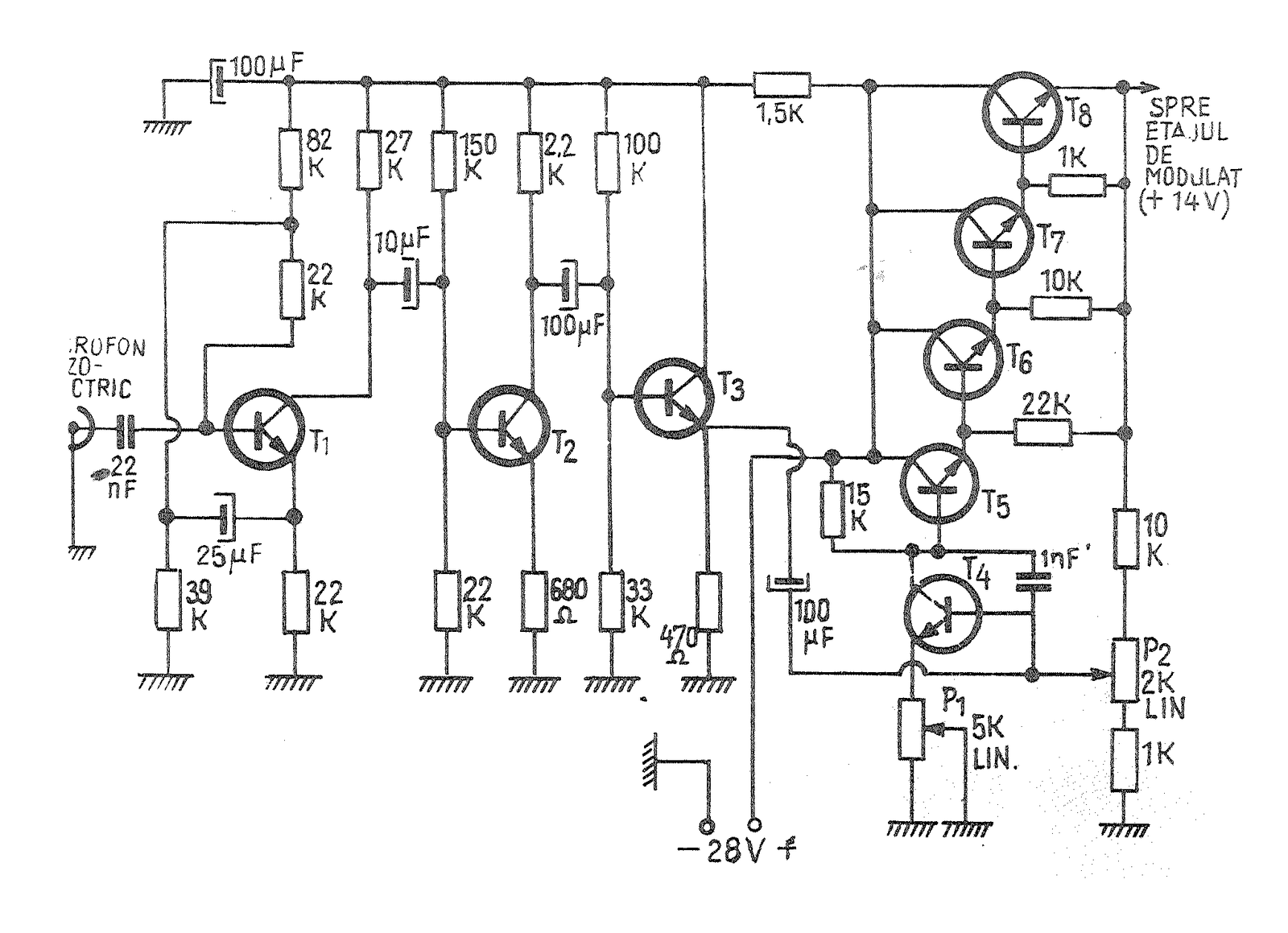
CORECTOR DE TON HI-FI
Articol publicat in revista Tehnium 1 din 2000 Pentru reglajul fin, după preferințe, al hodografului sonor, propriu unui program muzical audio, tradus prin corecția preferențială a caracteristicii amplitudine-frecvență de ieșire,…






