
Articol publicat in revista Tehnium, Septembrie 2002
O mare parte din blocurile aparatelor electronice folosesc, pentru alimentare, ca energie electrică o sursă de tensiune dublă. Ea este, de cele mai multe ori, simetrică față de masa montajului, având rolul de a păstra în permanență egalitatea celor două tensiuni de ieșire (pozitivă și negativă). Concomitent, sursa dublă de tensiune trebuie să fie prevăzută cu o protecție electronică rapidă și eficientă, în cazul apariției la un moment dat a unui supracurent sau scurtcircuit accidental în timpul funcționării.
Circuitul integrat ROB 1468 îndeplinește cerințele menționate și permite realizarea unui montaj electronic simplu, compact și cu performanțe electrice foarte bune.
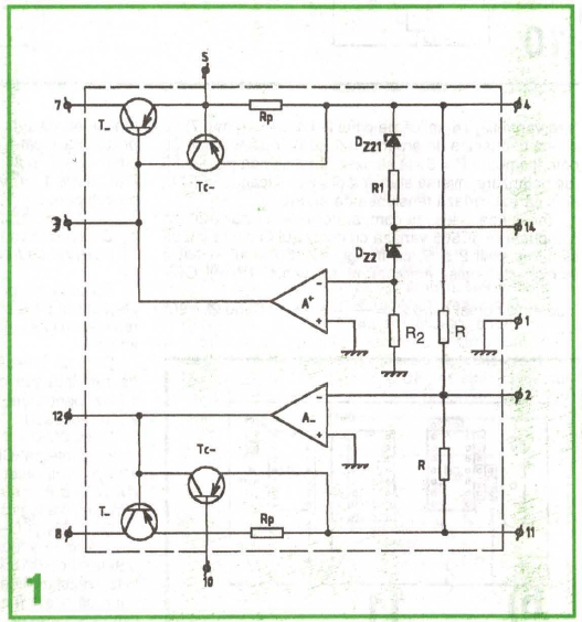
Schema bloc a circuitului integrat ROB 1468 este prezentată în figura 1. Se observă că montajul reprezintă practic două stabilizatoare de tensiune de tip serie, interconectate între ele în sistem Master-Slave.
Stabilizarea tensiunii pozitive este realizată de către tranzistorul echivalent T+, comandat de către amplificatorul operațional A+ (Master), care sesizează și menține constantă valoarea tensiunii pozitive, indiferent de consumul de curent din sarcină.

Stabilizarea tensiunii negative este realizată de către tranzistorul echivalent T-, comandat de către amplificatorul operațional A-, care, la rândul său, menține constantă tensiunea de ieșire negativă.
Amplificatorul operațional A- (Slave) are conectată intrarea neinversoare la masa montajului, iar intrarea inversoare la un divizor de tensiune format din două rezistențe R egale ca valoare, conectate la ieșirile + și – ale sursei de tensiune. În acest fel, valoarea tensiunii negative urmărește și totodată este menținută în permanență egală cu valoarea absolută a tensiunii pozitive.
Deoarece cele două tensiuni nu pot fi totuși perfect egale, s-a prevăzut și posibilitatea de corecție din exterior a unui alt divizor de tensiune (la terminalul „echilibrare”, pinul 2), care să permită stabilirea egalității stricte a celor două tensiuni, comandând intrarea inversoare proprie a amplificatorului operațional A+.
În mod practic, după ajustarea la valoarea dorită a tensiunii pozitive, se ajustează și valoarea tensiunii negative folosind un divizor de tensiune exterior. Între ieșirile celor două amplificatoare operaționale și masă se pot conecta divizori cu condensatoare de corecție (terminale „compensare”, pini 3 și 12), în vederea eliminării posibilității de apariție a oscilațiilor.
Circuitul integrat mai include câte un tranzistor (T+ și T-) prevăzut pentru asigurarea protecției la supracurent, prin limitarea acestuia la o valoare dinainte stabilită.
Deoarece baza fiecărui tranzistor de protecție este conectată la terminalele „ieșire” (pinii 5 și 10) în interiorul circuitului integrat, conectarea unor tranzistoare externe în vederea asigurării unui curent de sarcină mare (de ordinul amperilor) nu se poate face decât folosind conexiunea de tip super-G (tranzistor extern de tip complementar celui aflat în circuitul integrat).
Sursa de tensiune de referință este realizată cu ajutorul diodelor Zener DZ1 și DZ2, polarizate în zona optimă de funcționare cu ajutorul rezistențelor R1 și R2.
Deoarece din fabricație tensiunile diodelor Zener prezintă o oarecare dispersie, s-a prevăzut posibilitatea intervenției din exterior (terminalul „ajustare”) în vederea efectuării unui reglaj precis al tensiunii de ieșire.
Conexiunile de la capsula circuitului integrat ROB 1468 (varianta TO-116) sunt următoarele:
1 – Masă
2 – Echilibrare
3 – Compensare (+)
4 – Sesizare (+)
5 – Ieșire (+)
6 – NC (neconectat)
7 – Intrare (+);
8 – Intrare (-);
9 – NC;
10 – Ieșire (-);
11 – Sesizare (-);
12 – Compensare (-);
13 – NC;
14 – Ajustare.
Principalii parametri ai circuitului integrat ROB 1468 sunt următorii:
– tensiuni maxime de intrare: ±30V;
– curentul maxim de ieșire: -50, +50mA;
– puterea maximă disipată: 670mW;
– dezechilibrul tensiunilor de ieșire ≤ 0,3 mV;
– variația maximă a tensiunii de ieșire, pentru o modificare a tensiunii de intrare de la 18V la 30V: 10 mV;
– variația maximă a tensiunii de ieșire pentru o modificare a curentului de sarcină în intervalul 0…50mA ≤ 10mV;
– rejecția tensiunii de ondulație: 75dB;
– tensiunea minimă UCE aplicată tranzistoarelor echivalente de reglaj: 2V;
– curentul de mers în gol: 4mA de la sursa pozitivă, 3mA de la sursa negativă;
– coeficientul termic al tensiunii stabilizate: 0,4mV/°C;
– temperatura maximă a joncțiunilor: tmax = 125°C;
– intervalul temperaturilor de funcționare: 0… +70°C.
În figura 2 este prezentată schema electrică a unei surse duble de tensiune care utilizează circuitul integrat ROB 1468, folosită frecvent pentru alimentarea cu energie electrică a unor amplificatoare operaționale, din montaje electronice.
Sursa dublă de tensiune prezintă următoarele performanțe:
– tensiunea de ieșire: Ue = ±15V;
– tensiunea de alimentare U~1 = 17V – U~2;
– curentul maxim livrat pe ramura pozitivă sau negativă: I+ = I– = 500mA;
– factorul de stabilitate: ΔU/U > 2000;
– ondulații maxime ale tensiunii de ieșire (RIPPLE): ≤ 10mV;
– protecția: prin limitare de curent.
Analizând schema electrică se observă că alimentarea sursei de tensiune se realizează între terminalele U~1, U~2 și masă (GND-GROUND), folosind o sursă dublă de tensiune alternativă de 17V.
Condensatoarele C1 și C2 asigură un filtru de radiofrecvență al tensiunilor alternative de intrare. Aceste tensiuni sunt redresate de puntea redresoare P1, care livrează tensiunile pozitivă și negativă ce urmează a fi stabilizate.
Filtrajul inițial al tensiunilor este realizat cu grupul de condensatoare C3, C4 pentru tensiunea negativă și C5, C6 pentru tensiunea pozitivă.
În scopul asigurării curentului de sarcină necesar, circuitul integrat ROB 1468 a fost dotat cu tranzistoarele suplimentare externe T1 și T2.
Rezistențele R1 și R2 aflate între bază și emitorul tranzistoarelor T1 și T2 s-au dimensionat astfel încât să acopere necesarul de curent, atât cel din baza tranzistorului extern, cât și cel necesar unei funcționări optime a tranzistoarelor finale echivalente de pe fiecare ramură din dotarea internă a circuitului integrat ROB 1468.
Rezistențele R3 și R4 au fost dimensionate astfel încât protecția electronică să intre în funcțiune atunci când curentul de sarcină depășește valoarea de 600mA pe oricare din ramurile de alimentare, pozitivă sau negativă.
Pentru asigurarea unei stabilități sporite în funcționare s-au prevăzut două tipuri de compensări.
Condensatoarele C7 și C10, amplasate între masă și terminalele „compensare +” și „compensare –”, determină eliminarea posibilității de apariție a unor oscilații în timpul funcționării continue.
Condensatoarele C8 și C9 realizează o puternică reacție negativă de tip serie, în special la frecvențe înalte, pentru fiecare dintre cele două amplificatoare operaționale aflate în componența circuitului integrat.
Astfel se elimină cu desăvârșire posibilitatea apariției oscilațiilor în regimurile tranzitorii de funcționare a sursei duble de tensiune (pornire, oprire, creșterea rapidă de curent prin sarcină etc.).
Divizorul de tensiune R5, R6, R7 este prevăzut pentru realizarea reglajului final al tensiunii negative.
Divizorul R8, R9, R10 este prevăzut pentru reglajul final al tensiunii pozitive.
Tensiunile de ieșire sunt „netezite” cu ajutorul condensatoarelor C11, C12 (pentru tensiunea pozitivă) și C13, C14 (pentru tensiunea negativă).

Realizarea practică și reglaje
Montajul se realizează practic pe o plăcuță de cablaj imprimat din sticlotextolit dublu placat cu folie de cupru. În figurile 3 și 4 sunt prezentate cablajele plăcuței (fig. 3 – cablajul dinspre partea fără piese și fig. 4 – cablajul dinspre partea cu piese). În figura 5 este prezentat modul de amplasare a componentelor electrice pe plăcuța de cablaj imprimat.
După realizarea cablajului imprimat, componentele electrice se amplasează cu grijă, efectuând verificarea inițială electrică și mecanică a fiecărei piese. Montajul se alimentează de la o sursă dublă de tensiune alternativă U~a = 17V, f = 50Hz.
Se reglează mai întâi tensiunea pozitivă la valoarea de 15V, prin acționarea cursorului potențiometrului semireglabil R9. După aceea se reglează și valoarea de –15V a tensiunii negative, acționând cursorul potențiometrului semireglabil R6. Se conectează la ieșirea sursei duble două rezistențe de circa 10kΩ, repetându-se reglajele susmenționate până la obținerea strictă a celor două tensiuni de ieșire ±15V.
După aceste reglaje, cursoarele celor două potențiometre semireglabile se rigidizează cu câte o picătură de vopsea. Se menționează că sursa dublă de tensiune se poate folosi în obținerea altor tensiuni de ieșire în intervalul ±15…±24V, modificând însă corespunzător tensiunea alternativă de alimentare, astfel încât pe tranzistoarele exterioare să existe o cădere de minimum 3V.
Bibliografie:
*** Colecția revistei TEHNIUM (1980–2000).
*** Catalogul de circuite integrate I.P.R.S. Băneasa.





